中文
English
首页
关于我们
公司简介
公司理念
公司文化
案例展示
产品中心
高精度编码器
双反馈电感编码器
无框直驱电机
编码器
驱动器
下载中心
技术支持
公司新闻
行业新闻
常见问题
合作伙伴
联系我们
中文
English
产品中心
Product center
产品中心
Product center
产品中心
高精度编码器
+
双反馈电感编码器
+
无框直驱电机
+
编码器
+
驱动器
+
高精度编码器
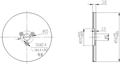
全国产高精度电感编码器 LGT70
电感编码器基于电磁感应原理,无光学元件磨损风险,适应粉尘、油污、振动等恶劣工况。具备高抗干扰性与长期稳定性,可精准输出角度、位置信号,广泛适配伺服电机、工业机械臂等自动化设备,为精密控制提供可靠数据支撑。
在线咨询
外形尺寸
产品规格
产品性能
应用领域
Copyright © 2002-2019 上海达睿微电机有限公司 版权所有
成都7月26日0—14时新增本土确诊病例3例 本土无症状感染者8例
北京西城出台“产业十条” 新引进重点企业最高补助5000万
工信部回应“制造业外迁”:外商对华投资步伐并没有放慢
王毅会见印尼对华合作牵头人、统筹部长卢胡特和外长蕾特诺
中国建筑下属子公司投资新加坡房地产开发项目 项目总投资逾100亿元
中埃举行应对气候变化南南合作项目援助物资发运仪式
人权专家:“美式超级自恋”造成人权灾难,妨碍国际人权的真正实现
俄反垄断局:谷歌公司因违反反垄断法被处以20亿卢布罚款
新华全媒+丨近250个品牌亮相 第二届消博会主宾国法国开启国家馆
男子借酒劲开走核酸保障车 500米后发生事故
第二十一届环湖赛开幕:中国21支队伍展自行车运动魅力
甘肃甘南累计报告新冠病毒感染者396例
阿富汗问题国际会议在乌兹别克斯坦举行
安徽黄山翡翠谷:暑期清凉游带动乡村旅游
俄罗斯莫斯科交易所将暂停日元交易
备案号:
沪ICP备19012995号-2
021-51398136
扫一扫
关注公众号
扫一扫关注公众号